![]() |
![]() |
![]() |
TLZJ系列超細立磨機是我公司結合多年的各種磨機生產經驗,以超細立磨機為基礎,廣泛吸取國內外超細粉磨理論,設計開發的先進粉磨設備。是一種一次完成超細粉粉磨、分級、輸送于一體的超細制粉行業專業設備,可廣泛應用于、化工、冶金、非金屬礦等行業??蓪⒛嫌捕?級以下、密度在3.2以下、抗壓強度在150Mpa以下、非易燃易爆礦、無腐蝕性的脆性物料顆粒狀及粉狀原料磨成所要求的(325~2500目)超細微粉。通常適用如下物料:碳酸鈣、方解石、硫酸鋇、滑石、硅灰石、葉臘石、白云石、石墨、高嶺土、石灰石等。

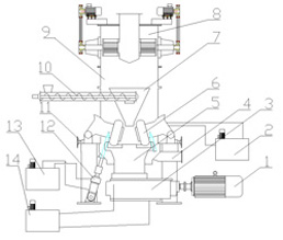
1 主電動機 2 磨輥稀油站 3 減速機 4 機座(進風口)
5 磨盤裝置 6 磨輥 7 錐斗 8 多頭選粉機
9 機體 10螺旋給料機 11限位裝置 12加壓裝置(液壓缸)
13液壓站 14減速機稀油站
TLZJ系列超細立磨機主要由電動機、減速機、磨輥裝置、磨盤裝置、加壓裝置、選粉機、機體、油站、主機PLC電控系統等部分組成。主電機通過減速機帶動磨盤轉動,同時風從進風口進入立磨機體內,物料經螺旋給料機下料口落在磨盤中央,在離心力的作用下,物料從磨盤中央向邊緣均勻移動,經過磨盤上的粉磨輥道區域時,受到磨輥的碾壓,大塊物料直接被壓碎,細粒物料受擠壓后形成料床進行粒間粉碎。
被粉碎的物料繼續向磨盤邊緣移動,直到被風環處的強氣流帶走,而較大的顆粒物料又重新掉落到磨盤上繼續粉碎,氣流中的物料經過上部的分離器時,在轉子葉片的作用下,粗顆粒重新回到磨盤上粉磨,合格的細粉隨氣流一起出磨,被系統的集粉器收集,被收集到的粉料即為立磨機磨出的產品?;烊胛锪系蔫F塊等雜物隨物料運動到磨盤邊緣時,由于自身重量大而不能被風吹起,跌落至磨機下腔被安裝在磨盤底部的刮料板刮入排渣口排出機外。通過調節多頭選粉機轉子的轉速,可以獲得不同細度的合格產品。通過調節液壓系統的壓力可以調節輥磨壓力,一定范圍內可以適應不同硬度的原料。

料層粉磨原理,產品的白度和凈度高
超細立磨機采用立磨料層粉磨原理,物料在磨內停留時間短,減少重復碾磨。產品中含鐵量極少,用于粉磨白色或透明物料時,產品的白度和凈度高。特殊設計的輥套和襯板的研磨曲線,更容易形成粉磨料層。
磨輥單獨潤滑,雙泵供油
磨輥潤滑采用單獨的潤滑站,且單個磨輥回路采用雙泵,泵吸同時工作的模式,既使磨輥軸承得到充分的潤滑和冷卻,又能保證磨輥軸承室內不會過多存油,而導致的泄露。

德國阿爾派選粉技術,可一次性達到所需細度
超細立磨機采用德國阿爾派多頭選粉機原理,每個轉子都可以變頻調速,出磨成品細度在選定范圍內均可實現,可不用經過二次風選分級,無下品料的存在。成品粒度小于2μm顆粒含量高,高可可達70%,及325目低殘留,也適合從中二次分選出更細粒徑的成品。
自動化控制,變頻調速,節能高效
采用PLC/DCS自動控制的磨輥加壓控制方式,研磨壓力得到精準控制,且不需要人工操作。主機PLC電控系統的對主機范圍內的電器元件進行有序協調指揮工作,主機轉速采用變頻調速,與其它任何形式的磨機相比節約能耗30%~50%,經濟效益極佳。
同力重機制造的2臺套TLZJ1100超細立磨機在新疆***新型建材有限公司-人造崗石項目中順利投產。
生產情況
【日運轉】: 24小時
【進 料】: 方解石,粒徑5-10mm
【成 品】: 細度:325-1250目
【產 量】: 8-15噸/時
【客戶反饋】:
我們公司在同力購買的超細立磨機,不僅質量有保證,產量也特別穩定,高效環保,大大提高了公司的產能,第一年投入使用就為公司創造了200萬的凈利潤。
TLZJ-1100H | TLZJ-1200H | TLZJ-1400H | |
315粉 | 11~13 | 12~14 | 14~16 |
2500粉 | 6~7 | 7~8 | 8~9 |
主機功率 | 220KW | 250KW | 280KW |
分級輪數量 | 5 | 7 | 7 |
能耗(主機、風機、分級機) | 28 | 29 | 30 |
版權所有?:浙江同力重型機械制造有限公司 浙ICP備11047279號-2

浙公網安備 33048302000399號